Démo Phasor sur ATmega88
Écrit par l’équipe HackGyver – 1 juillet 2025
Table des matières
Introduction
Phasor est une démo audio/vidéo matérielle minimaliste créée par Linus Åkesson (LFT), une figure emblématique de la demoscene. Sortie 2 ans après Craft, elle pousse encore plus loin l’art de faire le maximum avec le minimum: un ATmega88 (comme Craft), pas de framebuffer, pas de système d’exploitation, et pourtant une sortie vidéo composite stable, un signal audio, et une musique générée en temps réel, tout en synchro.
Au hackerspace, après avoir conçu et soudé notre propre carte pour Craft, on a décidé de refaire la même démarche:
- Prendre le schéma original de Phasor, pour le refaire dans un logiciel spécialisé.
- Concevoir et faire produire une vraie carte électronique prête à être soudée.
- Rendre accessible les schémas à tous.
Conception du schéma et du circuit imprimé
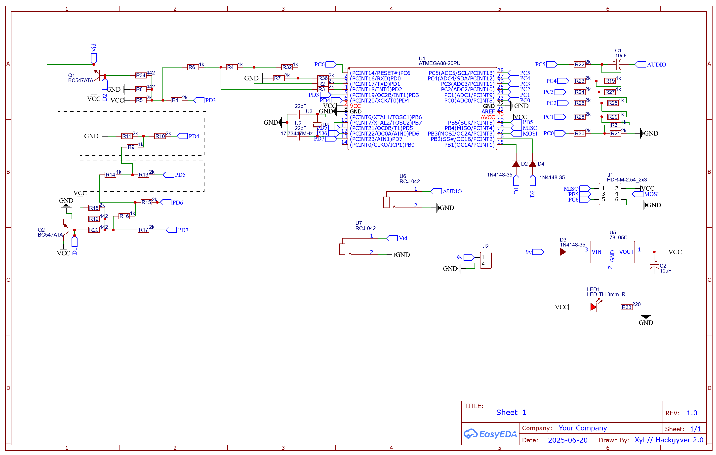
Nous avons reproduit le schéma avec EasyEDA, en s’assurant de suivre l’original au format texte.
Une fois le schéma texte retracé sur logiciel, notre schéma final ressemble à ça:
Vient ensuite la conception du circuit imprimé, nous sommes parvenu a ce résultat.
La liste des composants nécessaire pour peupler la carte:
- x1 - Résistance 220 Ω
- x4 - Résistance 442 Ω
- x11 - Résistance 1 kΩ
- x19 - Résistance 2 kΩ
- x3 - Diode 1N4148-35
- x2 - Condensateur céramique 22 pF
- x2 - Condensateur électrolytique 10 µF
- x1 - Broches (SPI) 2x3
- x1 - Broches (Alim) 1x2
- x1 - LED 3 mm
- x2 - Transistor BC547
- x1 - Régulateur de tension 78L05
- x1 - Support Microcontrôleur DIP28
- x1 - Microcontrôleur ATMega88-20PU
- x1 - Oscillateur 17.73447 MHz
- x2 - Connecteur RCA RCJ-042
Fabrication de la carte
Pour le premier lot de fabrication de carte, on a choisi de passer par OSH Park, principalement pour leur finition violette emblématique, plus marquante que les classiques vertes. Un choix esthétique pour une carte qui attire l’œil, même si par la suite un boitier est prévu pour la carte.
Une fois les prototypes reçus, il n’y a plus qu’a souder. Pour souder efficacement, nous allons suivre un ordre logique basé sur la taille. On commence donc par...
- Les résistances
- Les diodes (attention au sens)
- Les condensateurs céramiques
- L’oscillateur
- La LED (attention au sens)
- Les broches
- Le support du microcontrôleur
- Les transistors (attention au sens)
- Le régulateur de tension (attention au sens)
- Les condensateurs électrolytiques (attention au sens)
- Les connecteurs RCA
Puis on finit par clipser notre ATMega88 sur le support.
Compté environ 1 heure pour l’assemblage des composants. Pour faciliter l’alignement et le pliage des composants pendant le montage, nous utiliserons ce gabarit imprimé en 3D: [Resistor lead forming tool by dnewman - Thingiverse)(https://www.thingiverse.com/thing:26025)
Programmation du microcontrôleur
Une fois ça fait, il n’y a plus qu’à programmer notre microcontrôleur, on utilisera un flipper zero avec le plugin AVR flasher. On connecte les GPIOs de notre flipper zero sur notre carte.
Le schéma de connexion étant le suivant:
FLIPPER ZERO --- PCB --- PCB --- FLIPPER ZERO
______
PIN 03 -- MISO ---> | x x | ----- VCC -- PIN 09
PIN 05 -- SCK <---- | x x | ----> MOSI -- PIN 02
PIN 06 -- RST <---- | x x | ----- GND -- PIN 11
------
Ensuite il n’y a plus qu’a téléchargé le firmware de Phasor depuis le site de lft, puis de le mettre sur notre flipper zero.
Attention cependant, l’auteur fourni, un fichier flash.hex avec un fichier eeprom.raw
Il va falloir convertir le fichier « .raw » en « .hex » pour le flipper zero.
Sous Linux, nous pouvons le faire avec cette commande:
srec_cat eeprom.raw -Binary -o eeprom.hex -Intel
Une fois ça fait, dans la carte SD de notre flipper zero nous allons dans le dossier suivant: apps_data/avr_isp/
On créé un dossier ’Phasor’ puis on drop nos deux fichiers « flash.hex », et « eeprom.hex » Ensuite il n’y a plus qu’a créé un fichier « Phasor.avr » avec ce contenu:
Filetype: Flipper Dump AVR
Version: 1
Chip name: ATmega88
Signature: 1E 93 0A
Lfuse: E7
Hfuse: DF
Efuse: F9
Lock: FF
Dump_flash: flash.hex
Dump_eeprom: eeprom.hex
Ensuite on peut démonté la carte SD, la réinsérer dans notre flipper zero est écrire notre AVR avec l’application en sélectionnant Phasor.avr.
Test de la carte
Notre carte est maintenant pleinement fonctionnelle, il n’y a plus qu’à l’essayer avec une pile 9V.
Un bug arrive, le signale composite de notre board apparais désynchronisé sur l’écran...
Après vérification des composants et du fonctionnement, le problème venait simplement d’une inversion signal/masse en sortie des connecteurs RCA. On a opté pour une solution simple couper le Cable RCA est le rebrancher en inversant les fils. Après avoir fait ça, on peut enfin apprécier notre travail.
Création d’un boitier
Maintenant que nous avons notre carte, il n’y a plus qu’a lui faire un boitier pour ne pas que celle-ci prenne trop la poussière. Les trous de la carte électronique ont été prévus dès la conception afin de servir plus tard de points de guidage pour le boitier. On les utilise donc pour positionner et maintenir la carte sans vis, le même principe a été utilisé pour la carte électronique de Craft.
Les deux parties du boitier s’encapsulent grâce à un système de clips.
L’impression complète du boitier prend environ 8 heures avec une CR-10S Pro, en utilisant le profil de base de Cura adapté à cette imprimante. Avant d’encapsuler le boitier, vérifier l’alignement des connecteurs RCA avec les ouvertures du boitier. Si nécessaire, on ajuste légèrement leur position. Une fois le positionnement validé, il ne reste plus qu’à refermer le boitier.
Pour finir, voici une démonstration final.
Conclusion du projet
Le projet Phasor a été bien plus qu’un simple exercice de reproduction électronique. Il nous a permis de créer un support concret pour transmettre notre passion au sein de Hackgyver. Grâce à lui, nous avons pu aborder la conception de circuits imprimés, la soudure, et l’impression 3D.
Dans les mois à venir, avec également le projet Craft, ces réalisations serviront de base à des ateliers de découverte de l’électronique et de la demoscene, que nous animerons lors de nos événements. Chacun pourra y apprendre à manipuler un fer à souder et repartir avec sa propre création.
Le firmware et les fichiers typon sont disponibles ici:
📥 typon_et_firmware_phasor.zip











